import java.io.File; import java.io.IOException;

Apps

PLC Code

Comms

Hardware

Literature

Electronics

Library

Notes

Links

Tech

Home


Control Engineer Knowledge Base AB Micro Control
Control Automation AB Config. Assistant Product Compat. & D/L Center Literature Library
Automation World Drives & Motors Motion Control AB Code Library
AI AND MACHINE LEARNING CONTROL SYSTEMS DIGITAL TRANSFORMATION EDGE AND CLOUD COMPUTING
SYSTEM INTEGRATION MECHATRONICS AND MOTION CONTROL MOTORS AND DRIVES INDUSTRIAL NETWORKING
PROCESS INSTRUMENTATION AND SENSORS Webcast eBooks




Perpetual Change by progressive band Yes, Roundabout, And You and I, Siberian Khatru
Spice Isn't Really a Drug | Here's What It Actually Is
The Terrifying Psychology Of Dune

































Manuals

ApplicationServer_2017_RevA
HistorianClient_2017Update2_RevA_Presentation
HistorianServer_2017_Update2_RevA_Presentation
InTouch Comprehensive Training Manual
InTouchforSystemPlatform_2017Update2_RevA_Presentation
My training apps from WW 2020.zip
Situational Awareness
Step By Step Archestra Scripting eBook by Charles Vance
System Platform 2020 Getting Started Guide
Wonderware System Platform 1 Books A
Wonderware System Platform 1 Books B


System Platform 1 Book A

Lab 01 - Creating the Galaxy
Create a Galaxy and connect to it using Archestra IDE.
Lab 02 - Creating Global Derived Templates
Derived template, template toolsets, hide base templates, .
Lab 03 - Creating and Plant and Deployment Models
Plant model, Model View, deployment model, $AppEngine, deployment view.
Lab 04 - Using Object Viewer
Object viewer diagnostic tool, test application objects, modify values, watch lists, add watch list attributes.
Lab 05 - Configuring for Data Simulation
Configure an instance for $OPCClient, activate OI.SIM Simulator, connect OPC client to OI.SIM, monitor with object viewer.
Lab 06 - Modeling Meters
Configure and use object templates including inherited configs, application objects, acquire data from the OI Simulator, monitor in Object Viewer.
Lab 07 - Configuring Change Control and Propagation
Lock attributes to control changes, propagate changes from template in support of establishing standards.
Lab 08 - Modeling the Mixer
Configure analog and discrete IO, contained $UserDefined objects, IO binding, simulator object.
Lab 09 - Configuring the OI Server
Operations Integration Server Manager in the SMC, Modbus OI Server, PLC simulator, import aliases through csv.
Lab 10 - Configuring the Device Integration Object
Configure $gDDESuiteLinkClient, OI Server, SuiteLink protocol, monitor connection with Object Viewer.
Lab 11 - Connecting the Mixer to the Field
Production Area, change IO assignment, connect objects to live controller data, monitor data acquisition.
Lab 12 - Configuring the Redundant DI Object
Configure Galaxy for redundancy at device integration level by using Redundant DI Object monitoring two DI objects.
Lab 13 - Configuring and Retrieving History
Configure Galaxy for Historization to the Process Historian Server, configure AppEngine Object to store historical data to Process Historian.
Lab 14 - Configuring and Interacting with Alarms
Hi and Lo level alarms, monitor alarm attribute, triggered from PLC, interact with alarm attributes, use Insignt and MS SQL Management Studio.
Lab 15 - Exporting and Importing Objects
Export and Import Object features of Archestra to upgrade and downgrade object versions. Make copies of objects within the Galaxy.
Lab 16 - Configuring Instances Using a CSV File
Galaxy Dump and Load features to change configuration including contained objects. Load feature to create new mixer from existing csv.
Lab 17 - Configuring Security
Enable security in the Galaxy to use operating system user groups (OS Groups) as an authentication method.
Lab 18 - Implementing Object Security
Configure security classifications in some automation objects. For example, the valve cmd attribute has an operate security classification by default.
Lab 19 - Adding Auto Reconnect to the DDESuiteLinkClient Object
Configure $gDDESuiteLinkClient to automatically reconnect to the data source when the connection is lost.
Lab 20 - Scripting Value Status
Add a script to the $Valve template to report all of the stages of the valve: Open, Close, and Traveling. Done using an array attribute.
Lab 21 - Scripting Custom Alarms
Configure two new attributes with alarm features to monitor the flow to the transfer pumps within $Mixer template Ad a script to monitor the same and trigger an alarm.
Module 11 - Galaxy Backup and Restore
Describe the SMC and explain how to back up and restore operations using Galaxy Database manager. Create a new Galaxy from a backup file


System Platform 1 Book B

Lab 01 - Creating and Deploying the Galaxy
Create and connect to Galaxy, import objects, configure for multi-node configuration, deploy.
Lab 02 - Creating a Managed InTouch Application
Create a simple Managed InTouch application using $InTouchViewApp template (Window Maker).
Lab 03 - Building the Application Layout
Create windows for Managed InTouch app, navigation, alarm display, overview display, content display.
Lab 04 - Deploying an InTouch Application
Deploy a Managed InTouch application.
Lab 05 - Building a Process Overview
Use Symbol Editor to create a new Archestra symbol in graphics toolbox, embed Situational Awareness dashboard symbols.
Lab 06 - Creating the Mixer Components
Create mixer components from Situational Awareness library..
Lab 07 - Creating the Mixer Display
Embed sysbols in a containment relationship, build a master display containing these displays.
Lab 08 - Switching Between Mixers
Add a Combo Box to switch between mixers, Add the Owning Object property to the mixers to enable switching.
Lab 09 - Creating a Custom Symbol
Create custom symbols for use in a command panel for actuation..
Lab - 10 Creating a Navigation Symbol
Create a navigation symbol that will switch displays.
Lab 11 Applying Alarm Boarder Animation
Enable the alarm boarder wizard..
Lab 12 - Building an Alarm Aggregation Overview
Build an alarm aggregation overview symbol which will display alarm information.
Lab 13 - Building a Live Alarm Display
Use the Alarm Content control to display live alarms.
Lab 14 - Creating an Alarm Popup Symbol
Create alarm displays tied to specific equipment. Use scripting to build alarm queries.
Lab 15 - Building a Historical Alarm Display
Use Alarm Client to create an alarm display for visualization of historical alarms and events.
Lab 16 - Adding Trending to Graphics
Lab 17 - Creating a Trend Popup Symbol
Lab 18 - Building a Historical Trend Display
Lab 19 - Using Security Features in Graphics
Create a symbol to add built-in login and logout capabilities triggered from the symbol.
Lab 20 - Singing Writes from InTouch
Test the InTouchSecured Write and Verified Write functions when writing to attributes configured with these functions.
Lab 21 - Locking Down Your Application
Configure your application for user inactivity.
Lab 22 - Using the Web Client
Enable Web Client Server, set the home folder and home symbol, fast switch between preview and navigation and display in browser.


InTouch

Lab 01 - Creating the Modern InTouch Application
Using the InTouch Application Manager.
Lab 02 - Setting Up Windows and Navigation
Create windows in WindowMaker, layouts.
Lab 03 - Defining Memory Tags
Working with memory variables.
Lab 04 - Configuring the IO Server
Configure an OI Server named MBTCP, connect to Modbus simulator.
Lab 05 - Creating IO Access Tags
Create an access name to connect to OI server.
Lab 06 - Watching Tags with Tag Viewer
Use Tag Viewer to monitor IO data and communications.
Lab 07 - Exporting and Importing Tags
Use DBDump utility to export all tags.
Lab 08 - Building a Dashboard
Add two Situational Awareness library dashboard symbols then configure the wizard options.
Lab 09 - Building the Mixer Operational Display
Design a mixer symbol using the Situational Awareness library graphics.
Lab 10 - Building a Process Overview
Combine the existing Mixer graphic to form a Tank Farm graphic.
Lab 11 - Configuring InTouch Alarms
Configure alarm limits for InTouch tags, use Situational Awareness Wizard options.
Lab 12 - Visualizing and Acknowledging Live Alarms
Create a symbol and embed and configure a .NET Alarm Client.
Lab 13 - Visualizing and Filtering Historical Alarms and Events
Descriptive text.
Lab 14 - Logging Historical Data using InTouch History
Configure the application to begin historical logging as well as configure the tags which will log data.
Lab 15 - Trending Real-Time Data
Create a real-time trend symbol and embed a .NET Trend Client control, configure the trend client to display tags in real time.
Lab 16 - Logging Historical Data using Historian
Descriptive text.
Lab 17 - Building a Historian Client Trend Display
Use the Historian Client Trend .NET control to create a display for tag data from Historian Server in a Trend chart.
Lab 18 - Application-Wide Scripting
Experience the key script and the data change script.
Lab 19 - Creating an Agitator Timer
Create an agitator timer to monitor the run-time period of the agitator.
Lab 20 - Creating a Scalable Window Navigation Control
Navigate between different windows.
Lab 21 - Building a Mixer Browser Using ShowGraphic
Build a mixer browser using advanced features of ShowGraphic.
Lab 22 - Setting up and Using OS Security
Setup operating system security in InTouch, Active Directory.
Lab 23 - Locking Down Your Application
Secure your application from unauthorized access.
Lab 24 - Backing Up and Restoring a Modern InTouch Application
Lab 25 - Distributing An InTouch Application
Configure Network Application Development (NAD) to copy your application to a product node.
InTouch QuickScripts




























































Elementary Data Types Data Conversions ASCII Conversion Instructions DINT to String
String to DINT Real to String String to Real Lower Case
Upper Case


Elementary Data Types




Data Conversions




ASCII Conversion Instructions




DINT to String




String to DINT




Real to String




String to Real




Lower Case




Upper Case







Alarm Instructions Alarm Set Operation ASO Analog Alarm ALMA


Alarm Instructions




Alarm Set Operation




Analog Alarm










Array (File), Shift Instructions Array (File),Misc Instructions Bit Shift Left (BSL) Bit Shift Right (BSR)
Copy File (COP), Synchronous Copy File (CPS) FIFO Load (FFL) FIFO Unload (FFU) File Arithmetic and Logic (FAL)
File Average (AVE) File Fill (FLL) File Search and Compare (FSC) LIFO Load-Unload (LFL-LFU)


Array (File), Shift Instructions




Array (File),Misc Instructions




Bit Shift Left




Bit Shift Right




Copy File




FIFO Load




FIFO Unload




File Arithmetic and Logic




File Average




File Fill




File Search and Compare




LIFO Load




LIFO Unload







Count Down (CTD) Count Up (CTU) Count Up,Down (CTUD) Reset
Retentive Timer On (RTO) Retentive Timer On with Reset (RTOR) Timer and Counter Instructions Timer Off Delay (TOF)
Timer Off Delay with Reset (TOFR) Timer On Delay (TON) Timer On Delay with Reset (TONR)


Count Down




Count Up




Count Up,Down




Reset




Retentive Timer On




Retentive Timer On with Reset




Timer and Counter Instructions




Timer Off Delay




Timer Off Delay with Reset




Timer On Delay




Timer On Delay with Reset










Single scan latch with external analog




Tank level with drawdown timer via interlock




Timer Count Down




Timer_Elasped




XY Chart




Read Card




Tank app with auto refill




Ladder date and time examples




Backplane Object Type




Fault Record Type




Function block Add-on










Safety Relay



























































Proper Configuration of RSLinx



EthernetIP Configuration for Public & Private Multi-cell Network



Public & Industrial Network



wireless access to remote plc



ip address breakdown



server based license



Communications Setup for FactoryTalk View Applications


Launch
Stratix 5700
BootP-DHCP Utility



Stratix 8000 Switch



Note on Network License Activation



Stratix 5700 Express Setup



Stratix 5700 VLAN Routing [720p]












485_Connections



Eurotherm 232 to 485 converter to Multi Drop



Pinouts & Loopback



RS485 4 Wire Converter to 4 Wire 485 Devices











AB PLC Comms Poster











AB EthernetIP generic module configuration with tags



Explicit and Implicit Messaging in EtherNetIP



E-IP Inter Device Comms Example









How to program a Producer Consumer for Discretes and Messages




Interdevice PLC data conversion in Studio 5000 EthernetIP module with CIP protocol




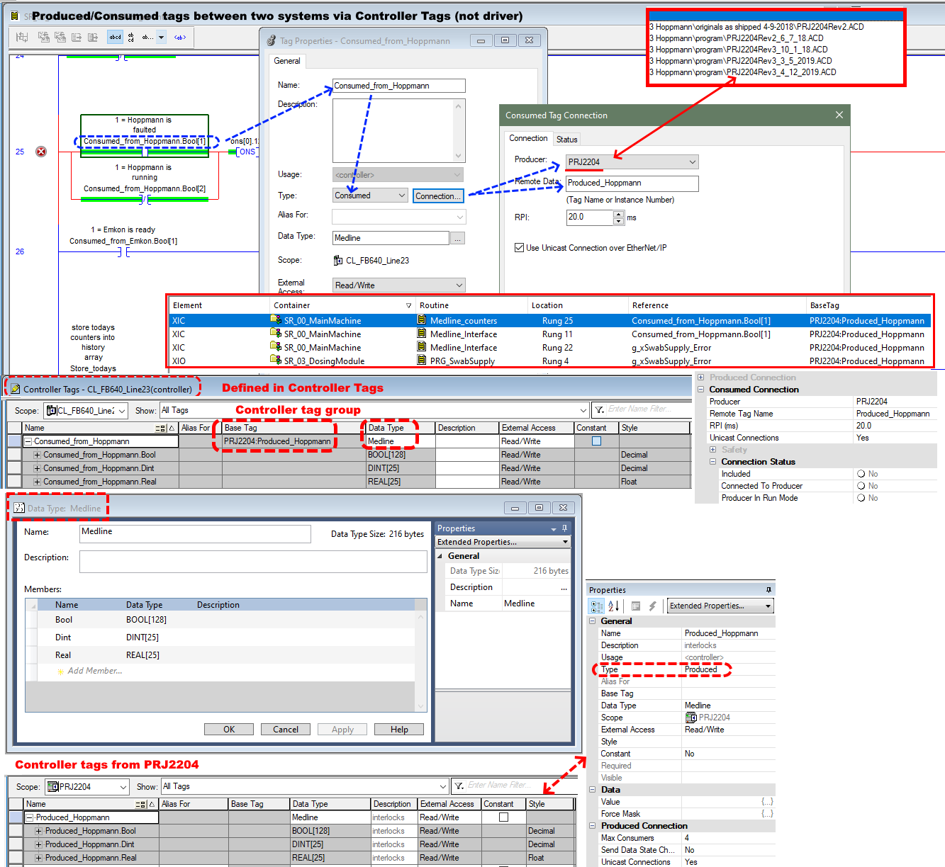
Produced-Consumed between two system via Controller Tags










Micrologix 1400 Ethernet



Supp - Micrologix 1400 Ethernet Address
















RS-422 and RS-485 Applications eBook


Quick Reference Card; RS-232, DB9, DB25 pinout levels ASCII table










Communications Setup for FactoryTalk View Applications








































Hubble Wiring Device Selector Poster


Arrow-Hart NEMA Power Connectors




Types of NA Power Connectors




240 & 120 VAC 15 to 50 Amp Electrical Connectors




AC Appliance and Interconnect Couplers















General Automation Parts

Parts








Plant Power
















































































Studio 5000 Logix Designer Compiler - Accept Edits
IEC 61131-3 Common Elements
IEC 61131-3 Function Block Diagram
IEC 61131-3 Instruction List
IEC 61131-3 Ladder Diagram
IEC 61131-3 Sequential Function Chart
IEC 61131-3 Structured Text
PLC_IEC61131-3
PLC Code Notes / Quick Ref.png
Structured Text Manual
Basic Ladder Programming
Guide_to_PLC_Programming
AB Logix 500 Notes
AB Compact Logic 5000 Prog Notes
AB SLC 500 VProf Notes Nov 28
Rockwell Allen Bradley PLC - CompactLogix Controllers - Selection Guide
Rockwell Allen Bradley PLC - Logix5000 Controllers - Quick Start
Rockwell Allen Bradley PLC - Logix5000 Controllers - System Reference
PanelView Plus Compact Terminals 2009
Optimizing Productivity with RSLogix 5000 Design and Configuration Software
Wonderware Tutuorial With RSlogix 5000 Emulate
Programmable Controllers - Theory & Implementation 1997
Programmable Logic Controllers, 4 edition
Electrical Relay Diagrams and PID Symbol
PLC Glossary
Dynamic System Modeling and Control
Integration and Automation of Manufacturing Systems
DC motor control systerm
Electronics Notes
Select Soft Starter or an AC drive
Process Safebook 1 - Safety related control systems
Power Supply Reference Manual 1606-XLSRED40
Motion Control via EtherNet_IP with Kinetix 300 Drives CCBB
Reference Architectures for Manufacturing Whitepaper
Logix Error Codes for PLC and SLC Messages
Logix5000 Control Systems Connect PanelView Plus Terminals over EtherNet_IP
Logix5000 Controllers General Instructions Reference Manual
Basics_practical_operation_Motor_starting
Troubleshoot EtherNet_IP Networks
USB to DH-485 Interface Converter Utility Quick Reference
Logix5000 Controllers Quick Start
Comact Logix L43 Motion Ethernet
Comact Logix L45 Motion Ethernet
CompactLogix L43 with Motion iasimp-qr009_-en-p.pdf
Stratix_Infrastructure Product Family Quick Reference
AB PLC Comms Poster
Parker Product Family Fact Sheet Poster
AB EthernetIP generic module configuration with tags




































-->

































Common Formulas & Conversions RPM fr Ratio TopicXX02 TopicXX03
TopicXX04 TopicXX05 TopicXX06 TopicXX07
TopicXX08 TopicXX09 TopicXX10 TopicXX11


Common Formulas and Conversions


































Parker product family fact sheet poster

Parker product family fact sheet poster








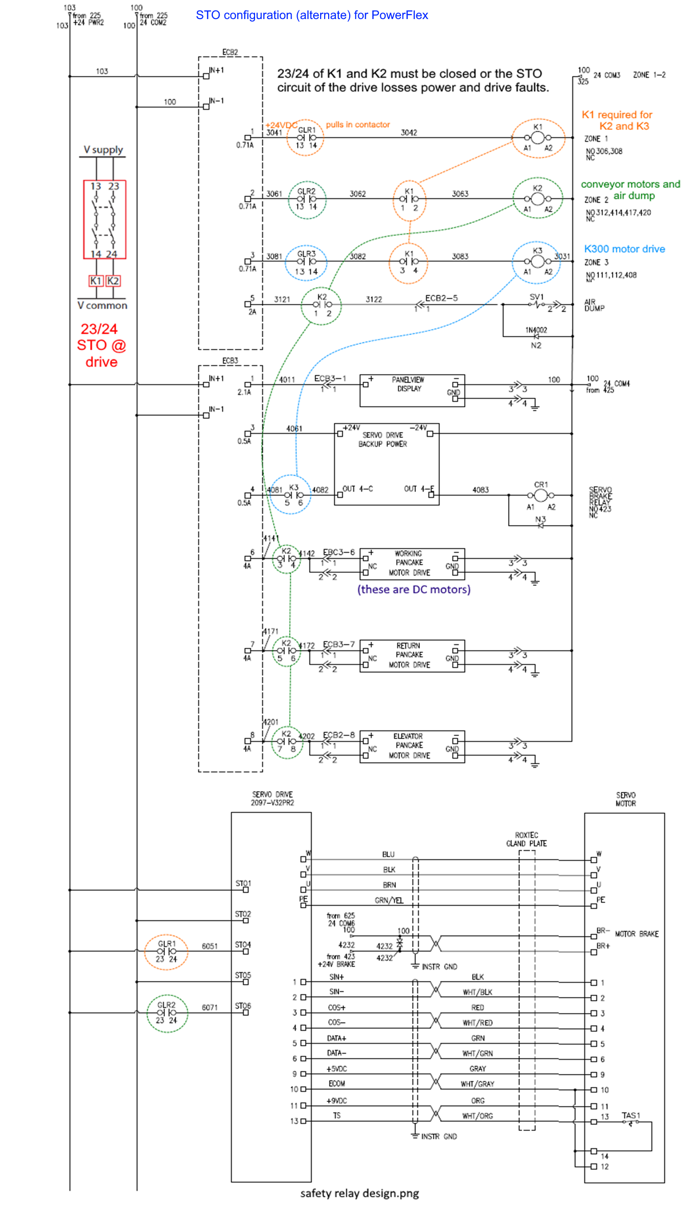
Alternate Safe Torque Off config for PowerFlex










Fundamentals of Photoelectric Sensing


























































Electronics Notes Quick Ref








Various circuits & reference material































































































































































































































Kinetic 5700 Programming
Servo Motion Mastery 1
Servo Motion Mastery 2
Notes on Tray Motion App
RW Instruction Locator Table

Kinetix Drive Manuals

Motion Control 5100 5300 5500 5700 Various Reference
Configuration Drawing [here] Kinetix 5700, 5500, 5300, and 5100 Servo Drives Specifications
Kinetix 5700, 5500, 5300 Tuningless Feature Configuration
Kinetix Motion System Tuning
Kinetix Motion Control
Kinetix Rotary Motion Specification
Integrated Motion on the EtherNetIP Network Reference Manual
Integrated Motion on the E/IP Network: 53/55/57 Config & Start User Manual
Drives and Motion Accelerator Toolkit
Integrated Architecture and CIP Sync Configuration
PhaseManager Software User Manual
Allen-Bradley Drives Engineering Handbook
Circuit Protection Methods (Supplemental)
Kinetix Drives Fault Codes
Mathematics of Motion Control Profiles
Motion Coordinate System
Motion Control Ref. By John Mazurkiewicz
Logix 5000 Controllers Information and Status
Kinetix 6000 Error Code Troubleshooting
Design Guide [here] [here] [here] [here]
Installation [here] [here] [here] [here]
Product Profile [here] [here]
Programming [here] [57]  [60]  [60]
Quick Start [here] [here]
Reference [1][2] [here]
Selection Guide [here] [here]
Technical Data [here] [here]
User Manual [here] [here] [here] [here]
Notes [here]
Safety [here]


Motion Programming Manuals

Logix 5000 Controllers Motion Instructions Reference Manual
Integrated Motion on the EtherNet/IP Network Reference Manual
FactoryTalk Motion Analyzer User Guide
Integrated Motion on the EtherNet/IP Network: Configuration and Startup User Manual
Motion System Tuning Application Techniques
Position-based Output Control with the MAOC Instruction Application Technique
Kinetix 350 Single-axis EtherNet/IP Servo Drives User Manual
SERCOS and Analog Motion Configuration and Startup


Notes

actual motor speed when programming in ControlLogix
Home to Torque-level Example Application Note
How and When to Use Motion MAOC (Motion Axis Output Cam)
troubleshooting ethernet network issues when using integrated motion
Troubleshooting of RW Motion Systems
Tuning Rockwell Drives
CIP Messages References
How to Configure FSGateway and RSLinx Data Source to OPC
How to program a Producer Consumer for Discretes and Messages
Interdevice PLC data conversion in Studio 5000 EthernetIP module with CIP protocol
OPC RW Presentation
Using BootP
Notes on structure of Standard Panel program
Notes - Configuring and Passing Parameters.docx
Notes � Establishing Comms to New FT View ME Application


Configuration Drawings

Integrated Motion on EtherNetIP
Ethernet Network Quick Reference Guide
EtherNetIP Design, Commissioning, and Troubleshooting QR
Stratix 5700 Managed Switch
Stratix_Infrastructure Product Family QR
CompactLogix L43 Motion Ethernet
CompactLogix 5480 with Enterprise & Device-level Networks
Integrated Motor Protection with E300
CompactLogix 5380 with Dual IP Configuration
Integrated Motion on EtherNetIP ControlLogix 5580 Family
GuardLogix 5580 with Star-Linear
Compact GuardLogix 5380 with Star-Linear


Key Motion Commands

Motion State Motion Move Motion Group Motion Event Motion Configuration
Motion Servo On (MSO) Motion Axis Stop (MAS) Motion Group Stop (MGS) Motion Arm Watch (MAW) Motion Apply Axis Tuning (MAAT)
Motion Servo Off (MSF) Motion Axis Home (MAH) Motion Group Shutdown (MGSD) Motion Disarm Watch (MDW) Motion Run Axis Tuning (MRAT)
Motion Axis Shutdown (MASD) Motion Axis Jog (MAJ) Motion Group SDwn Reset (MGSR) Motion Arm Registration (MAR) Motion Apply Hookup Diagnostics (MAHD)
Motion Axis SDwn Reset (MASR) Motion Axis Move (MAM) Motion Grp Strobe Position (MGSP) Motion Disarm Registration (MDR) Motion Run Hookup Diagnostics (MRHD)
Motion Direct Drive On (MDO) Motion Axis Gear (MAG)
Motion Direct Drive Off (MDF) Motion Change Dynamics (MCD)
Motion Drive Start (MDS) Motion Redefine Position (MRP)
Motion Axis Fault Reset (MAFR)


Sample Files


Emkon - EM00_CD01_Infeed_Spreader

Emkon - EM05_CD11_Belt_Carton_Up

Emkon - EM05_CD15_Magazine

Emkon - EM05_VD00_Master_Axis

Emkon - EM06_CD04_TuckIn_Folder servo and ladder code

Facemask - 'Axis' motion group

Facemask - M001 & M002

Facemask - M010 & M011

Facemask - M020 & M021

working ROTARY configuration for stoppering

Facemask - Servo Tuning - Manual

Ladder logic toggle switch
Generic Servo Project Notes
PLC App Template
Generic Servo Project - PLC.docx
Generic Servo Project - HMI.docx
FTV SE VBA Templates.zip
Axis_Home_Routine_RLL(AxPrg_Axis).L5X
AxisDraw_Control_Routine_RLL(AxPrg_Axis).L5X
Control_Main_Routine_RLL(AxPrg_Axis1).L5X
RW Samples.zip
mapping file examples in sturctured text
Notes on structure of Standard Panel program
PLC Code Library [cookbook] 09-04-22.docx
plc_app_template.ACD
mapping file sample in ladder.png
Standard_Panel_2_full.ACD
Servo-Motion-Mastery-101.ACD
ServoMastery_2_Code_Collection_V28
30 Day Project Template.ACD

servo motion etc initial app

servo motion etc second app pt1

servo motion etc second app pt2

---

---


All Motion Commands

Motion Cmd Help
Master Driven Axis Control (MDAC)
Master Driven Coordinated Control (MDCC)
Motion Apply Axis Tuning (MAAT)
Motion Apply Hookup Diagnostics (MAHD)
Motion Arm Output Cam (MAOC)
Motion Arm Registration (MAR)
Motion Arm Watch (MAW)
Motion Axis Fault Reset (MAFR)
Motion Axis Gear (MAG)
Motion Axis Home (MAH)
Motion Axis Jog (MAJ)
Motion Axis Move (MAM)
Motion Axis Position Cam (MAPC)
Motion Axis Shutdown (MASD)
Motion Axis Shutdown Reset (MASR)
Motion Axis Stop (MAS)
Motion Axis Time Cam (MATC)
Motion Calculate Cam Profile (MCCP)
Motion Calculate Slave Values (MCSV)
Motion Calculate Transform Position (MCTP)
Motion Calculate Transform Position with Orientation (MCTPO)
Motion Change Dynamics (MCD)
Motion Configuration Instructions
Motion Coordinated Change Dynamics (MCCD)
Motion Coordinated Circular Move (MCCM)
Motion Coordinated Linear Move (MCLM)
Motion Coordinated Path Move (MCPM)
Motion Coordinated Shutdown (MCSD)
Motion Coordinated Shutdown Reset (MCSR)
Motion Coordinated Stop (MCS)
Motion Coordinated Transform (MCT)
Motion Coordinated Transform with Orientation (MCTO)
Motion Direct Drive Off (MDF)
Motion Direct Drive On (MDO)
Motion Disarm Output Cam (MDOC)
Motion Disarm Registration (MDR)
Motion Disarm Watch (MDW)
Motion Drive Start (MDS)
motion error codes (.ERR)
Motion Event Instructions
Motion Group Instructions
Motion Group Shutdown (MGSD)
Motion Group Shutdown Reset (MGSR)
Motion Group Stop (MGS)
Motion Group Strobe Position (MGSP)
Motion Move Instructions
Motion Redefine Position (MRP)
Motion Run Axis Tuning (MRAT)
Motion Run Hookup Diagnostics (MRHD)
Motion Servo Off (MSF)
Motion Servo On (MSO)
Motion State Instructions
Multi-Axis Coordinated Motion Instructions
CIP Axis Attributes
Converter AC Line Input Attributes
AC Line Condition Attributes
Converter AC Line Configuration Attributes
Converter AC Line Monitoring Attributes
Converter AC Line Source Configuration Attributes
Converter Control Attributes
Converter Bus Voltage Control Configuration Attributes
Converter Bus Voltage Control Signal Attributes
Converter Control Mode Attributes
Converter Current Control Configuration Attributes
Converter Current Control Signal Attributes
Converter Current Reference Configuration Attributes
Converter Current Reference Signal Attributes
Converter Output Attributes
Converter Reactive Power Control Attributes
Converter Types
Data Attributes
Axis Info Attributes
Axis Statistical Attributes
CIP Axis Status Attributes
Event Capture Attributes
DC Bus Condition Attributes
DC Bus Condition Attributes
Device Commissioning and Tuning Attributes
Auto-Tune Configuration Attributes
Hookup Test Configuration Attributes
Hookup Test Result Attributes
Inertia Test Configuration Attributes
Inertia Test Result Attributes
Motor Test Result Attributes
Drive Attributes
Drive General Purpose IO Attributes
Drive Output Attributes
Power and Thermal Management Configuration Attributes
Power and Thermal Management Status Attributes
Faults and Alarms Attributes
APR Fault Attributes
Axis Exception Action Configuration Attributes
Configuration Fault Attributes
Exception Factory Limit Info Attributes
Exception User Limit Configuration Attributes
Exception, Fault and Alarm Attributes
Initialization Faults Attributes
Module,Node Fault and Alarm Attributes


Feedback Attributes
Feedback Configuration Attributes
Feedback Interface Types
General Feedback Info Attributes
General Feedback Signal Attributes


Motion Control Attributes
Acceleration Control Attributes
Acceleration Control Configuration Attributes
Command Generator Configuration Attributes
Command Generator Signal Attributes
Command Reference Generation Attributes
Current Control Signal Attributes
Frequency Control Configuration Attributes
Frequency Control Signal Attribute
Position Loop Configuration Attributes
Position Loop Signal Attributes
Torque,Force Control Configuration Attributes
Torque,Force Control Signal Attributes
Velocity Loop Configuration Attributes
Velocity Loop Signal Attributes
Motion Control Attributes (CIP Attributes)
Motion Control Configuration Attributes
Motion Control Interface Attributes
Motion Control Signal Attributes
Motion Control Status Attributes
Motion Database Storage Attributes
Motion Dynamic Configuration Attributes
Motion Homing Configuration Attributes
Motion Planner Configuration Attributes
Motion Planner Output Attributes
Motion Scaling Attributes
Motor Attributes
General Linear Motor Attributes
General Motor Attributes
General Permanent Magnet Motor Attributes
General Rotary Motor Attributes
Induction Motor Attributes
Interior Permanent Magnet Motor Attributes
Linear PM Motor Attributes
Load Transmission and Actuator Attributes
Rotary PM Motor Attributes
Safety Attributes
Axis Safety Status Attributes
Guard Safety Attributes
Guard Safety Status Attributes
Stopping and Braking Attributes
Start Inhibits Attributes
Stopping and Braking Attributes




Drive activation parameter checklist.


List of axis states.


Motor engineering formulas.








Rockwell Motion Analyzer Page
Motion Analyzer: Free System Analysis Software
Motion System Commissioning Tools in Studio 5000 Logix Designer
Set Up A Rockwell Automation Stratix Switch For Motion Control Applications



Safe Torque Off Benefits

























Applying motor protection & short circuit breakers





Motor Control Circuit Wiring





Motor Supplemental Protectors





Concise Notes on Motor and Motor Controller Technology





Induction and Servo Motor Notes





Motor Wiring 1




Motor Wiring 2




Motor Supplemental Protector Notes











Transformers: Distribution & 3-Phase




Common AC Power Distribution Configurations


































Various info on PanelView HMIs




Numeric Display Properties




Multistate Pushbotton with connections and controller link




Goto display button




Text search in structured text




String Variables




Numeric input enabled properties




Changing user access level in PanelView




Create & Modify Alarms in PanelView




Symbol Factory Images In Factory Talk View ME




Various Factory Talk View ME Notes




Notes - Configuring and Passing Parameters










Allen Bradley HMI Data Logging ActiveX Control




Allen Bradley HMI Data Logging

















































Allen-Bradley Phone Support Direct Access Codes